高低位報警磁翻板液位計是基于連通器和磁性耦合原理實現液位的實時測量和顯示。當容器中被測液位升降時,浮筒內的磁性浮子也隨之升降,浮子內的磁鋼通過磁性耦合驅動浮筒外部的磁性翻片翻轉180°。翻片兩面分別涂有不同顏色(通常為紅色和白色),以指示液位的位置。一般地,當容器內液位上升時,翻片由白色轉變為紅色,當容器內液位下降時,翻片由紅色轉變為白色,指示器的紅白交界處為容器內液位的實際高度。根據液體不同的化學屬性,可以選擇不同材質的浮筒與之相適應;根據液體不同的密度,可以選擇不同體積和重量的浮子與之相匹配,以達到較佳的測量精度。
磁翻板液位計顯示面板的殼體采用高溫型鋁合金材質,外保護蓋板采用玻璃面板或亞克力板;獨特的顯示面板端蓋設計和玻璃封膠工藝,防護等級超國標IP54,達到IP65、IP66要求;創新設計翻片與浮子磁耦合系統,大大提高磁耦合系統工作可靠性,避免翻片錯翻導致的顯示錯誤。
產品特點
(1)顯示器面板加寬設計,使可視距離和可視角度大大增加,標尺刻度和數字更加粗大清晰,外形美觀大氣。;
(2)防護等級可選IP65、IP66,超過國標IP54要求。
(3)配套的磁開關和干簧管遠傳變送器通過****。
(4)采用304無縫不銹鋼管,經濟實用。
該產品相較其他品牌同類產品具有以下優勢:
(1)顯示器面板和翻片采用加寬設計,使可視距離和可視角度大大增加,標尺刻度和數字更加粗大清晰,外形美觀大氣。
(2)防護等級可選IP65、IP66,超過國標IP54要求。
(3)配套的磁開關、輕巧型磁開關和干簧管遠傳變送器,均通過****。
(4)應用多種的內襯工藝,提供F4(PTFE)/F46(FEP)內襯浮筒,適應更多腐蝕介質的測量。
(5)可配置蒸汽/真空夾套、電加熱、保溫/隔熱附加裝置,應用于各種復雜工況。
高低位報警磁翻板液位計系統構成及接線
1、上下限開關輸出
由具有自保持作用的舌簧開關和轉換器組成,舌簧開關和轉換器分別安裝于現場和控制室,由轉換器提供三對觸點開關。
2、電遠傳
由測量單元和變送單元兩部分組成。
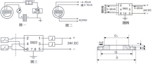
3、本安**
a 帶本安**,上、下限開關輸出型
**開關由舌簧開關和帶繼電器觸點的安全柵組成,可向用戶直接提供一對常開或常閉觸點。如用戶需更多觸點可特殊設計訂貨。(圖三)
b 帶本安**遠傳型
適合使用于∏類電氣設備(工廠用)、C級氣體,*高表面溫度組別T4(135℃)。(圖四)
c 使用注意事項
①變送器外殼設有外接地,用戶使用時必須可靠接地。
②安全柵的使用應遵守有關使用說明內容。
③變送器與安全柵本安端的連接電纜為二芯屏蔽電纜,芯線截面積>0.5m,電纜允許分布電容為0.8μF。

主要技術參數
1、基本型液位計
(1)安裝中心距:L=500~600mm范圍內任意選擇
(2)指示誤差:±10mm
(3)工作壓力:1.6,2.5,4.0,6.3,10.0MPa
(4)介質溫度:-80~300℃
(5)介質密度:≥0.45g/cm3
(6)介質粘度:≤1St(10-4m2/s)
(7)接液材質:1Cr18Ni9Ti.304.316.Ti
(8)連接法蘭:法蘭通徑DN20
法蘭標準:PN1.6:HG20592~20635-97
PN2.5,4.0:HG20592~20635-97凸面
PN6.3,10.0:HG20592~20635-97凸面
注:法蘭標準和通徑,設計部門和用戶根據需要也可選用其他標準和通徑,訂貨時請注明。如無特殊需要,將按上述標準和通徑供貨。
(9)安裝方式:側裝式
(10)儀表重量:見下表
安裝中心距 | 500 | 中心距每增加100mm | 6000 | |
重量(kg) | 基本型 | 12 | 重量遞減1.2kg | 78 |
夾套型 | 15 | 重量遞增1.5kg | 97.5 | |
2、報警器
(1)報警誤差:±5mm
(2)輸出形式:-常開開關信號;
(3)觸點容量:24V.DC,0.3A
(4)工作壽命:>105次
(5)出線口,M20*1.5(內螺紋)
(6)傳輸距離:3km
(7)環境溫度:-40~60℃
(8)**等級:隔爆型,Diibt-4
(9)外殼防護等級:IP65
(10)重量:0.5kg
3、變送器
(1)重量:0~6000mm
(2)誤差:±10mm
(3)輸出信號:4~20mA
(4)負載阻抗:550Ω(240V.DC供電時)
(5)供電電源:24V.DC
(6)出線口:M20*1.5(內螺紋)
(7)環境溫度:-40~60℃
(8)**等級:Diibt1-4,ibIIBT4
高低位報警磁翻板液位計選型:
XT-UHZ | 磁浮子液位計 | 系 列 號 | ||||||||
A | 普通型:壓力等級≤6.3MPa, 溫度:0~150℃ | 基本形式 | ||||||||
Y | 液位 | 物位形式 | ||||||||
J | 界位 | |||||||||
1 | 1.6MPa | 壓力等級 | ||||||||
2 | 2.5MPa | |||||||||
3 | 4.0MPa | |||||||||
4 | 6.3MPa | |||||||||
A | Class150(2.0MPa) | |||||||||
B | Class300(5.0MPa) | |||||||||
X | 其它壓力等級 | |||||||||
1 | 側側裝 | 安裝方式 | ||||||||
2 | 頂裝式 | |||||||||
3 | 側側裝頂部指示器 | |||||||||
N | 不帶液位變送器 | 變 送 器 | ||||||||
G | 帶干簧管式液位變送器 | |||||||||
C | 帶磁致伸縮式液位變送器 | |||||||||
N | 不帶液位開關 | 液位開關 | ||||||||
H | 帶上限液位開關 | |||||||||
L | 帶下限液位開關 | |||||||||
M | 帶上、下限液位開關 | |||||||||
X | 其它設定點液位開關 | |||||||||
N | 無** | **形式 | ||||||||
D | 隔爆型 | |||||||||
A | 本安型 | |||||||||
-W1 | 套筒式伴熱夾套 | 伴熱方式 (可選項) | ||||||||
-W2 | 活動式伴熱夾套 | |||||||||
-W3 | 電伴熱(自限溫) | |||||||||
XT-UHZ | A | J | B | 1 | G | M | D | -W1 | 選型舉例 | |
XT-UHZ-AJB1GMD-W1為標準型、測量界位、壓力等級Class300、側側安裝、帶干簧管式液位變送器、帶上、下限液位開關、隔爆型、帶套筒式伴熱夾套的磁浮子液位計 | ||||||||||
液位計安裝說明
1、開箱檢查儀表的型號是否與選購的型號一致,法蘭尺寸及中尺距是否與現場尺寸一致。
2、儀表必須垂直安裝,垂直度應小于5°。
3、安裝前必須清潔管道確保管道清潔無雜物堵塞。
4、浮子一般放置在液位計腔體一側。
5、安裝前先用浮子沿翻板自上向下導引一次,確保此時翻板上的翻柱全部翻為白色。
6、檢查安裝完畢后,打開液位計根部法蘭,將浮子插入儀表腔體中,浮子以標有箭頭方向為上部。
7、液位計在投運之前,先緩慢打開引口閥,將液體介質緩慢引入,以免浮子隨液體管道急速上升而造成翻柱翻轉混亂。




